Воздушный кольцевой нож Nex Flow Ring Blade 20002, 20002X, 20002XS-316L изготовлен с внутренним диаметром 2" (50.8 мм) и доступен в 3 версиях: стандартной (до 66℃), X-Stream (до 204℃) и из 316 нержавеющей стали (до 427℃).
Воздушный кольцевой нож Nex Flow Ring Blade 20002, 20002X, 20002XS-316L изготовлен с внутренним диаметром 2" (50.8 мм) и доступен в 3 версиях: стандартной (до 66℃), X-Stream (до 204℃) и из 316 нержавеющей стали (до 427℃).
Воздушный кольцевой нож Nex Flow Ring Blade 20002, 20002X, 20002XS-316L – легкий, компактный и простой в установке прибор, который производит равномерный 360-градусный обдув детали. Он снижает потребление сжатого воздуха для экономии энергии, а также значительно уменьшает уровень шума. Эти системы практически не требуют технического обслуживания, а продувка легко контролируется регулятором.
Кольцевые воздушные ножи – это практически те же воздушные ножи только в виде замкнутых колец. Они сконструированы как две отдельные части с шарнирным соединением для того, чтобы воздушные ножи могли открываться и закрываться вокруг экструдированной или движущейся детали. Эти устройства используются как эффективная система продувки для всех видов экструзии – проволока, кабельный канат, оконные профили, автомобильные бамперы, экструдированные трубы и для другое.
Система Air Wipe создает «ламинарный» поток воздуха на 360 градусов, используя эффект Коанда, который «захватывает» большой объем воздуха из окружающей среды с небольшим количеством сжатого воздуха для получения выходного потока до 30 раз большего чем объем потребленного сжатого воздуха. Продувка направляется на осушаемую деталь, эффективно сдувая влагу и грязь даже с неровных и искривленных поверхностей.
Воздушный осушитель Nex Flow Ring Blade 20002, 20002X, 20002XS-316L изготовлен с внутренним диаметром 2" (50.8 мм) и доступен в 3 версиях: стандартной (до 66℃), X-Stream (до 204℃) и из 316 нержавеющей стали (до 427℃).
Каждый воздушные нож Ring Blade оснащен стандартным выходным зазором в 0,05 мм, который подходит для выполнения 90% всех поставленных задач. Если требуется большая сила, может быть установлен второй зазор в 0,05 мм, чтобы обеспечить увеличенние силы и потока воздуха.
Материал изготовления – анодированный алюминий или нержавеющая сталь 316L.
Применение
Преимущества
Производительность
| Модель | Внутренний диаметр |
Расход воздуха на единицу со станд. зазором 0.05 мм |
Расход воздуха на единицу с зазором 0.10мм (с прокладкой) |
Уровень шума на расстоянии 0.91 м |
| 20002 |
2" 50.8 мм |
850 л/мин | 1699 л/мин | 77 |
| 20002X | ||||
| 20002XS-316L |
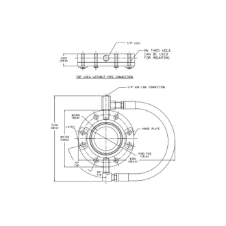
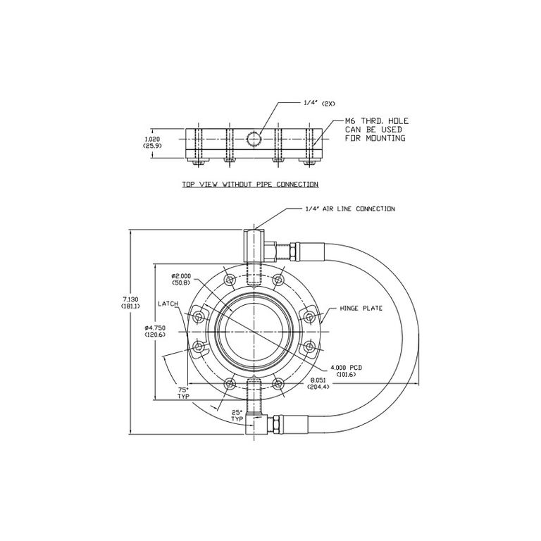
Размеры
| Модель |
А (мм) |
В (мм) | С (мм) |
Резьба (для подключения сжатого воздуха) |
| 20002 | 50.8 | 121 | 102.6 | 1/4" NPT |
|
20002X |
||||
| 20002XS-316L |
Информация для заказа
| Артикул |
Наименование для заказа |
Цена |
| 20002 | 20002 Воздушный кольцевой нож Nex Flow Ring Blade, резьба: 1/4", расход: 850-1699 л/мин на 5.5 бар, внутренний диаметр: 2", температура: до 66℃, материал: алюминий. | По запросу |
| 21002 | 21002 Воздушный кольцевой нож Nex Flow Ring Blade с внутренним диаметром 2" (до 66℃) + фильтр с автоматическим сливом 90001. | По запросу |
| 22002 | 22002 Воздушный кольцевой нож Nex Flow Ring Blade с внутренним диаметром 2" (до 66℃) + фильтр с автоматическим сливом 90001 + регулятор с манометром 90008. | По запросу |
| 20002X |
20002X Воздушный кольцевой нож Nex Flow Ring Blade X-Stream из алюминия с внутренним диаметром 2" (до 204℃) + шланг и прокладки из нержавеющей стали, латунные фитинги. | По запросу |
| 21002X | 21002X Воздушный кольцевой нож Nex Flow Ring Blade X-Stream из алюминия с внутренним диаметром 2" (до 204℃) + фильтр с автоматическим сливом 90001. | По запросу |
| 22002X | 22002X Воздушный кольцевой нож Nex Flow Ring Blade X-Stream из алюминия с внутренним диаметром 2" (до 204℃) + фильтр с автоматическим сливом 90001 + регулятор с манометром 90008. | По запросу |
| 20002XS-316L | 20002XS-316L Воздушный кольцевой нож Nex Flow Ring Blade из 316 нержавеющей стали с внутренним диаметром 2" (до 427℃) + шланг и прокладки из 316 нержавеющей стали, латунные фитинги. | По запросу |
| 21002XS-316L | 21002XS-316L Воздушный кольцевой нож Nex Flow Ring Blade из 316 нержавеющей стали с внутренним диаметром 2" (до 427℃) + фильтр с автоматическим сливом 90001. | По запросу |
| 22002XS-316L | 22002XS-316L Воздушный кольцевой нож Nex Flow Ring Blade из 316 нержавеющей стали с внутренним диаметром 2" (до 427℃) + фильтр с автоматическим сливом 90001 + регулятор с манометром 90008. | По запросу |
| 20102 | 20102 Прокладка (1 шт) для кольцевого воздушного ножа Nex Flow Ring Blade, толщина: 0.002" (0.051 мм), внутренний диаметр: 2" (50.8 мм), материал: нерж. сталь. |
По запросу |
| 20102K | 20102K Комплект прокладок (2 шт - пара) для кольцевого воздушного ножа Nex Flow Ring Blade, толщина: 0.002" ( 0.051 мм), внутренний диаметр: 2" (50.8 мм), материал: нерж. сталь. | По запросу |
| 20102-316L | 20102-316L Прокладка из 316 нержавеющей стали - .002" (.050 мм) для воздушного кольцевого ножа Nex Flow Ring Blade с внутренним диаметром 2". | По запросу |
Нужна консультация? Наши специалисты ответят на все вопросы.
Звоните по телефону +7 (495) 125-06-83 или отправьте сообщение на lead@spray-expert.ru