Система монтажа с манифольдом Nex Flow 46004, 46004HF

Система монтажа с манифольдом Nex Flow 46004, 46004HF

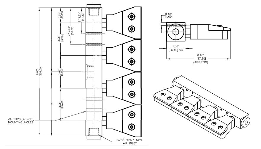
Системы монтажа с манифольдом Nex Flow 46004, 46004HF позволяют монтировать форсунки Nex Flow Air Edgers, Standard Air Nozzles или Air Mag счетверенно для обдува либо охлаждения, в ситуациях когда невозможно использовать воздушные ножи, а обдув требуется на определенной длине. 

Системы монтажа с манифольдом Nex Flow 46004, 46004HF позволяют монтировать форсунки Nex Flow Air Edgers, Standard Air Nozzles или Air Mag счетверенно для обдува либо охлаждения, в ситуациях когда невозможно использовать воздушные ножи, а обдув требуется на определенной длине.